• Publicité

Sélecteur de vitesse

"Il n'y a que Linhaï qui m'aille" est votre devise ? Partagez vos expériences.
  • Publicité

Sélecteur de vitesse

Messagepar lucos99 » 14 Nov 2009, 14:48

Bonjour à tous je viens de changer le soufflet du sélecteur de vitesse sur mon Linhai Yéti, celui ci était fendu, j'ai remarqué un peu d'eau au fond du boitier, j'ai voulu la retirer avec un bout d'éponge et l'un des trois ressorts et venu sans que je sache d'où et là .... je me retrouve comme un .....
Quelqu'un saurait il m'aider ?? De plus il y a une espèce de graisse silicone blanchâtre à l'intérieur du boitier je m'attendais à de l'huile ? avec quoi puis faire le complément ou alors la changer au point ou j'en suis.
J'ai télécharger le manuel d'entretien mais j'avoue que les explications et croquis ne sont pas assez précis pour ce troisième ressort
Merci encore de votre aide
La connaissance ne vaut que si elle est partagée par tous
Avatar de l’utilisateur
lucos99
Quadeur
Quadeur
 
Années en tant que membreAnnées en tant que membreAnnées en tant que membreAnnées en tant que membreAnnées en tant que membreAnnées en tant que membreAnnées en tant que membreAnnées en tant que membreAnnées en tant que membreAnnées en tant que membreAnnées en tant que membreAnnées en tant que membreAnnées en tant que membreAnnées en tant que membreAnnées en tant que membreAnnées en tant que membre
 
Messages: 29
Inscription: 24 Aoû 2009, 23:18
Localisation: 41 Vendome

Publicité

selecteur

Messagepar ricco700 » 15 Nov 2009, 11:08

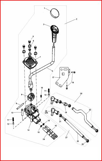
salut une capture si sa peut t'aider
Fichiers joints
selecteur de vitesse.JPG
selecteur de vitesse.JPG (39.73 Kio) Vu 1306 fois
Avatar de l’utilisateur
ricco700
Superquadeur
Superquadeur
 
Années en tant que membreAnnées en tant que membreAnnées en tant que membreAnnées en tant que membreAnnées en tant que membreAnnées en tant que membreAnnées en tant que membreAnnées en tant que membreAnnées en tant que membreAnnées en tant que membreAnnées en tant que membreAnnées en tant que membreAnnées en tant que membreAnnées en tant que membreAnnées en tant que membreAnnées en tant que membre
 
Messages: 70
Inscription: 06 Aoû 2009, 17:03
Localisation: (84700) sorgues

Publicité

Messagepar GUILLON » 15 Nov 2009, 12:03

Bonjour.
Tu vois bien le positionnement des 3 ressorts sur l'éclaté du boîtier.
C'est de la graisse normale qui est mise dans le boîtier.Si celle en place est blanche,cela est dû au fait que tu as trouvé de l'eau dans le boîtier à cause du soufflet fendu.
Claude
Avatar de l’utilisateur
GUILLON
Pilier du JDQ
Pilier du JDQ
 
Années en tant que membreAnnées en tant que membreAnnées en tant que membreAnnées en tant que membreAnnées en tant que membreAnnées en tant que membreAnnées en tant que membreAnnées en tant que membreAnnées en tant que membreAnnées en tant que membreAnnées en tant que membreAnnées en tant que membreAnnées en tant que membreAnnées en tant que membreAnnées en tant que membreAnnées en tant que membreAnnées en tant que membreAnnées en tant que membreAnnées en tant que membre
 
Messages: 950
Inscription: 24 Aoû 2006, 13:01
Localisation: ROUVRES EN WOEVRE 55400

Publicité

Messagepar lucos99 » 15 Nov 2009, 12:08

OK merci j'ai aussi cet éclaté les ressorts 11 sont bien en place mais on ne voit pas assez précisément l'emplacement du ressort 10
Merci encore
Pour la graisse faut il que je la change ??
Merci
La connaissance ne vaut que si elle est partagée par tous
Avatar de l’utilisateur
lucos99
Quadeur
Quadeur
 
Années en tant que membreAnnées en tant que membreAnnées en tant que membreAnnées en tant que membreAnnées en tant que membreAnnées en tant que membreAnnées en tant que membreAnnées en tant que membreAnnées en tant que membreAnnées en tant que membreAnnées en tant que membreAnnées en tant que membreAnnées en tant que membreAnnées en tant que membreAnnées en tant que membreAnnées en tant que membre
 
Messages: 29
Inscription: 24 Aoû 2009, 23:18
Localisation: 41 Vendome

Publicité

Messagepar GUILLON » 15 Nov 2009, 12:22

Cela ne coûte vraiment pas cher de profiter de l'occasion pour mettre de la graisse propre...surtout que celle en place est polluée par l'eau.
Claude
Avatar de l’utilisateur
GUILLON
Pilier du JDQ
Pilier du JDQ
 
Années en tant que membreAnnées en tant que membreAnnées en tant que membreAnnées en tant que membreAnnées en tant que membreAnnées en tant que membreAnnées en tant que membreAnnées en tant que membreAnnées en tant que membreAnnées en tant que membreAnnées en tant que membreAnnées en tant que membreAnnées en tant que membreAnnées en tant que membreAnnées en tant que membreAnnées en tant que membreAnnées en tant que membreAnnées en tant que membreAnnées en tant que membre
 
Messages: 950
Inscription: 24 Aoû 2006, 13:01
Localisation: ROUVRES EN WOEVRE 55400

Publicité

Messagepar lucos99 » 15 Nov 2009, 12:44

pas de pb pour la graisse , mais c'est toujours la position de fichu ressort qui me pose problème
merci de votre aide
La connaissance ne vaut que si elle est partagée par tous
Avatar de l’utilisateur
lucos99
Quadeur
Quadeur
 
Années en tant que membreAnnées en tant que membreAnnées en tant que membreAnnées en tant que membreAnnées en tant que membreAnnées en tant que membreAnnées en tant que membreAnnées en tant que membreAnnées en tant que membreAnnées en tant que membreAnnées en tant que membreAnnées en tant que membreAnnées en tant que membreAnnées en tant que membreAnnées en tant que membreAnnées en tant que membre
 
Messages: 29
Inscription: 24 Aoû 2009, 23:18
Localisation: 41 Vendome

Publicité

Messagepar lucos99 » 15 Nov 2009, 21:57

Bonsoir finalement j'ai trouvé, un internaute m'a aider le fameux ressort sert a ramener le levier de vitesse vers la gauche lorsque l'on est au point mort, j'en ai profité pour changer la graisse
Merci à tous
Fichiers joints
Sélecteur linhai.doc
(144.5 Kio) Téléchargé 130 fois
La connaissance ne vaut que si elle est partagée par tous
Avatar de l’utilisateur
lucos99
Quadeur
Quadeur
 
Années en tant que membreAnnées en tant que membreAnnées en tant que membreAnnées en tant que membreAnnées en tant que membreAnnées en tant que membreAnnées en tant que membreAnnées en tant que membreAnnées en tant que membreAnnées en tant que membreAnnées en tant que membreAnnées en tant que membreAnnées en tant que membreAnnées en tant que membreAnnées en tant que membreAnnées en tant que membre
 
Messages: 29
Inscription: 24 Aoû 2009, 23:18
Localisation: 41 Vendome

Publicité

Messagepar tophedu08 » 12 Déc 2009, 12:15

bonjour,
je viens un peu tard mais ...

J'ai changer le soufflet sur mon hy 320 (oulala c'était rempli d'eau) j'ai retiré cette bouillie aquo-graisseuse et j'ai remis de la graisse au lithium (une bonne dose)
ha oui les ressors ben ça été pas trop mal. j'ai attention qu'ils ne se barrent pas au moment de l'ouverture.

après remontage ... impec ! :lol:

pourquoi la graisse au lithium : meilleur résistance à l'eau, au frottement ...

@+
Quand un homme a un bec de canard, des ailes de canard et des pattes de canards : c'est un canard. C'est vrai aussi pour les petits merdeux
(M audiard)
Avatar de l’utilisateur
tophedu08
Superquadeur
Superquadeur
 
Années en tant que membreAnnées en tant que membreAnnées en tant que membreAnnées en tant que membreAnnées en tant que membreAnnées en tant que membreAnnées en tant que membreAnnées en tant que membreAnnées en tant que membreAnnées en tant que membreAnnées en tant que membreAnnées en tant que membreAnnées en tant que membreAnnées en tant que membreAnnées en tant que membreAnnées en tant que membre
 
Messages: 70
Inscription: 29 Oct 2009, 22:59
Localisation: 08130 ardennes
Localisations: Ardennes
Quad: HY 560
Votre niveau de mécanique: 1

Publicité

Messagepar lucos99 » 12 Déc 2009, 19:57

Bonjour pour ma part j'ai remis de la graisse normale, et selon les conseils de l'internaute qui m'a indiqué l'emplacement du fameux ressort, j'ai bien graissé l'intérieur du soufflet le caoutchouc chinois étant de mauvaise qualité cela le préserve
Cordialement
La connaissance ne vaut que si elle est partagée par tous
Avatar de l’utilisateur
lucos99
Quadeur
Quadeur
 
Années en tant que membreAnnées en tant que membreAnnées en tant que membreAnnées en tant que membreAnnées en tant que membreAnnées en tant que membreAnnées en tant que membreAnnées en tant que membreAnnées en tant que membreAnnées en tant que membreAnnées en tant que membreAnnées en tant que membreAnnées en tant que membreAnnées en tant que membreAnnées en tant que membreAnnées en tant que membre
 
Messages: 29
Inscription: 24 Aoû 2009, 23:18
Localisation: 41 Vendome

Publicité



  • Publicité

Retourner vers Forum Quad HYTRACK, LINHAI

Qui est en ligne

Utilisateurs parcourant ce forum: Aucun utilisateur enregistré et 16 invités

  • Publicité

Google+