• Publicité

souci divers aeon cobra 180 de 2003

  • Publicité

souci divers aeon cobra 180 de 2003

Messagepar dady61 » 26 Juil 2014, 09:16

Bonjour,

Je post ici par désespoir car j'ai des souci avec mon quad. Déjà le ralenti est instable à chaud, il est très haut tellement haut que je ne peux pas passer les vitesse. J'ai déjà tout démonter (carburateur) et tout nettoyer à fond! j'ai fais un réglage mais se n'est toujours pas sa. j'ai également fais attention à la fixation de la pipe et boite à air. La boite à air que j'ai démonter pour vérifier le filtre qui est ok. (je sais pas si vous savais mais faut démonter tout le carter arrière pour y avoir accès!

Hier il à même brouter à l'accélération visiblement la bougie est morte (plus d'étincelle) je la change tantôt mais je pense pas que cela va résoudre mon ralenti.

Mon deuxième souci c'est que j'ai énormément de jeu dans le bras oscillant arrière. Ma question c'est que faut il faire car je crois pas qu'il y est de roulement ici, pour moi se n'est que des bagues.

D'avance merci de vos lumière car la je sais plus quoi faire.
Avatar de l’utilisateur
dady61
Superquadeur
Superquadeur
 
Années en tant que membreAnnées en tant que membreAnnées en tant que membreAnnées en tant que membreAnnées en tant que membreAnnées en tant que membreAnnées en tant que membreAnnées en tant que membreAnnées en tant que membreAnnées en tant que membreAnnées en tant que membre
 
Messages: 97
Inscription: 25 Juil 2014, 21:22
Localisations: orne
Quad: Aeon cobra 180
Votre niveau de mécanique: 5

Publicité

Re: souci divers aeon cobra 180 de 2003

Messagepar dexter » 26 Juil 2014, 09:26

Une seule chose à la fois !
Ralenti instable, bougie hs, bagues de suspensions,...

Dans un premier temps, change ta bougie et si possible mets une Iridium.

Ensuite contrôle ton ralenti.

As-tu un starter automatique sur le carbu ?
Avatar de l’utilisateur
dexter
Mégaquadeur
Mégaquadeur
 
Années en tant que membreAnnées en tant que membreAnnées en tant que membreAnnées en tant que membreAnnées en tant que membreAnnées en tant que membreAnnées en tant que membreAnnées en tant que membreAnnées en tant que membreAnnées en tant que membreAnnées en tant que membreAnnées en tant que membre
 
Messages: 780
Âge: 68
Inscription: 07 Mai 2013, 09:50
Localisations: Nord-Est
Quad: Cfmoto
Votre niveau de mécanique: 7

Publicité

Re: souci divers aeon cobra 180 de 2003

Messagepar dady61 » 26 Juil 2014, 09:36

Image

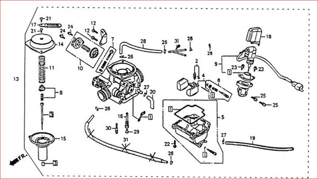
voici la photo du starter qui est manuel et pour info je sent aucune différence suivant la position de la manette a froid comme à chaud et sa aussi sa me surprend pourtant le cable à l'air de bien faire son travail.

C'est quoi les bagues de suspension?

Merci de m'avoir répondu au passage ;)
Avatar de l’utilisateur
dady61
Superquadeur
Superquadeur
 
Années en tant que membreAnnées en tant que membreAnnées en tant que membreAnnées en tant que membreAnnées en tant que membreAnnées en tant que membreAnnées en tant que membreAnnées en tant que membreAnnées en tant que membreAnnées en tant que membreAnnées en tant que membre
 
Messages: 97
Inscription: 25 Juil 2014, 21:22
Localisations: orne
Quad: Aeon cobra 180
Votre niveau de mécanique: 5

Publicité

Re: souci divers aeon cobra 180 de 2003

Messagepar dexter » 26 Juil 2014, 10:36

1) Carburation :
Contrôle ton starter. Il doit obligatoirement y avoir une différence entre starter en fonction et starter enlevé.


2) Suspension :
Si tu n'as pas de roulements sur l'axe du bras oscillant c'est que tu dois avoir des bagues pour l'usure ( nylon, bronze, acier,...).

Cherche un éclaté des pièces détachées. C'est forcément indiqué dessus.
Avatar de l’utilisateur
dexter
Mégaquadeur
Mégaquadeur
 
Années en tant que membreAnnées en tant que membreAnnées en tant que membreAnnées en tant que membreAnnées en tant que membreAnnées en tant que membreAnnées en tant que membreAnnées en tant que membreAnnées en tant que membreAnnées en tant que membreAnnées en tant que membreAnnées en tant que membre
 
Messages: 780
Âge: 68
Inscription: 07 Mai 2013, 09:50
Localisations: Nord-Est
Quad: Cfmoto
Votre niveau de mécanique: 7

Publicité

Re: souci divers aeon cobra 180 de 2003

Messagepar dady61 » 26 Juil 2014, 11:33

J'ai démonter le starter une nouvelle fois et je vois rien d'anormal, je verrai tantôt avec la nouvelle bougie je vous tiens au courant.

De plus j'ai trouver cela sur le net si sa peut aider certaines personnes:

http://www.slduk.com/spare-parts/cobra-180.html

Cordialement et merci encore
Avatar de l’utilisateur
dady61
Superquadeur
Superquadeur
 
Années en tant que membreAnnées en tant que membreAnnées en tant que membreAnnées en tant que membreAnnées en tant que membreAnnées en tant que membreAnnées en tant que membreAnnées en tant que membreAnnées en tant que membreAnnées en tant que membreAnnées en tant que membre
 
Messages: 97
Inscription: 25 Juil 2014, 21:22
Localisations: orne
Quad: Aeon cobra 180
Votre niveau de mécanique: 5

Publicité

Re: souci divers aeon cobra 180 de 2003

Messagepar dady61 » 26 Juil 2014, 14:43

Bon bas.......... J'ai mis bougie neuve et c'est pas mieux, sa démarre avec du mal et sa cale.

Snif :(

Pour info j'ai tout vérifier:

redémonter carbu et nettoyer ainsi que le gicleur
démonter et vérifier pipe et boite air et leurs étanchéité
filtre essence ok j'ai même essayer en direct et sans robinet

je suis paumé la
Avatar de l’utilisateur
dady61
Superquadeur
Superquadeur
 
Années en tant que membreAnnées en tant que membreAnnées en tant que membreAnnées en tant que membreAnnées en tant que membreAnnées en tant que membreAnnées en tant que membreAnnées en tant que membreAnnées en tant que membreAnnées en tant que membreAnnées en tant que membre
 
Messages: 97
Inscription: 25 Juil 2014, 21:22
Localisations: orne
Quad: Aeon cobra 180
Votre niveau de mécanique: 5

Publicité

Re: souci divers aeon cobra 180 de 2003

Messagepar barnabouille » 26 Juil 2014, 18:01

Bonjour dady61

Allez courage, il faut continuer d'investiguer.

Démontes la bougie et montes l'anti-parasite dessus.

Mets le culot de la bougie en contact avec le bloc moteur et lance le moteur avec le lanceur ( ou le démarreur ?) .

L'étincelle doit être franche !

http://www.youtube.com/watch?v=c2nHb6McOYk

Prends des gants isolants ou un chiffon très épais ( Plusieurs milliers de volts ! ) mais heureusement peu de courant ( Ampères ).

http://www.youtube.com/watch?v=sqAz_NX8hoE

Un jeu d'enfant :P

http://www.youtube.com/watch?v=0-201Mfuih4

A toi
Dernière édition par barnabouille le 26 Juil 2014, 18:42, édité 1 fois.
"C'est le devoir de chaque homme de rendre au monde au moins autant qu'il en a reçu."
Albert Einstein


Polaris 570 EPS 4x4 qui remplace mon valeureux Hytrack 420 4x2.
Avatar de l’utilisateur
barnabouille
Mégaquadeur
Mégaquadeur
 
Années en tant que membreAnnées en tant que membreAnnées en tant que membreAnnées en tant que membreAnnées en tant que membreAnnées en tant que membreAnnées en tant que membreAnnées en tant que membreAnnées en tant que membreAnnées en tant que membreAnnées en tant que membreAnnées en tant que membreAnnées en tant que membreAnnées en tant que membreAnnées en tant que membre
 
Messages: 1071
Âge: 69
Inscription: 06 Avr 2010, 21:35
Localisations: Rhône-Alpes
Quad: POLARIS 570 EPS (09/2014)
Votre niveau de mécanique: 3

Publicité

Re: souci divers aeon cobra 180 de 2003

Messagepar dady61 » 26 Juil 2014, 18:39

nikel l'intecelle par contre j'ai un doute sur la monter du boiseau, j'ai essayer a la souflette et il bouge pas!
Avatar de l’utilisateur
dady61
Superquadeur
Superquadeur
 
Années en tant que membreAnnées en tant que membreAnnées en tant que membreAnnées en tant que membreAnnées en tant que membreAnnées en tant que membreAnnées en tant que membreAnnées en tant que membreAnnées en tant que membreAnnées en tant que membreAnnées en tant que membre
 
Messages: 97
Inscription: 25 Juil 2014, 21:22
Localisations: orne
Quad: Aeon cobra 180
Votre niveau de mécanique: 5

Publicité

Re: souci divers aeon cobra 180 de 2003

Messagepar barnabouille » 26 Juil 2014, 18:41

Alors il faut ouvrir et le remettre en place => Tu l'avais démonté récemment ?

Aides toi de ce tuto pour repositionner le boisseau :
http://forum.motoservices.com/viewtopic ... 36&t=49389
Dernière édition par barnabouille le 26 Juil 2014, 23:03, édité 1 fois.
"C'est le devoir de chaque homme de rendre au monde au moins autant qu'il en a reçu."
Albert Einstein


Polaris 570 EPS 4x4 qui remplace mon valeureux Hytrack 420 4x2.
Avatar de l’utilisateur
barnabouille
Mégaquadeur
Mégaquadeur
 
Années en tant que membreAnnées en tant que membreAnnées en tant que membreAnnées en tant que membreAnnées en tant que membreAnnées en tant que membreAnnées en tant que membreAnnées en tant que membreAnnées en tant que membreAnnées en tant que membreAnnées en tant que membreAnnées en tant que membreAnnées en tant que membreAnnées en tant que membreAnnées en tant que membre
 
Messages: 1071
Âge: 69
Inscription: 06 Avr 2010, 21:35
Localisations: Rhône-Alpes
Quad: POLARIS 570 EPS (09/2014)
Votre niveau de mécanique: 3

Publicité

Re: souci divers aeon cobra 180 de 2003

Messagepar dady61 » 26 Juil 2014, 19:31

mon cable accelérateur ne par pas sur le boiseau aussi
Avatar de l’utilisateur
dady61
Superquadeur
Superquadeur
 
Années en tant que membreAnnées en tant que membreAnnées en tant que membreAnnées en tant que membreAnnées en tant que membreAnnées en tant que membreAnnées en tant que membreAnnées en tant que membreAnnées en tant que membreAnnées en tant que membreAnnées en tant que membre
 
Messages: 97
Inscription: 25 Juil 2014, 21:22
Localisations: orne
Quad: Aeon cobra 180
Votre niveau de mécanique: 5

Publicité

Re: souci divers aeon cobra 180 de 2003

Messagepar barnabouille » 26 Juil 2014, 19:37

Il ressemble plutôt à ça ?
Fichiers joints
Carburateur.JPG
"C'est le devoir de chaque homme de rendre au monde au moins autant qu'il en a reçu."
Albert Einstein


Polaris 570 EPS 4x4 qui remplace mon valeureux Hytrack 420 4x2.
Avatar de l’utilisateur
barnabouille
Mégaquadeur
Mégaquadeur
 
Années en tant que membreAnnées en tant que membreAnnées en tant que membreAnnées en tant que membreAnnées en tant que membreAnnées en tant que membreAnnées en tant que membreAnnées en tant que membreAnnées en tant que membreAnnées en tant que membreAnnées en tant que membreAnnées en tant que membreAnnées en tant que membreAnnées en tant que membreAnnées en tant que membre
 
Messages: 1071
Âge: 69
Inscription: 06 Avr 2010, 21:35
Localisations: Rhône-Alpes
Quad: POLARIS 570 EPS (09/2014)
Votre niveau de mécanique: 3

Publicité

Re: souci divers aeon cobra 180 de 2003

Messagepar dady61 » 26 Juil 2014, 19:43

oui et sans le starter auto
Avatar de l’utilisateur
dady61
Superquadeur
Superquadeur
 
Années en tant que membreAnnées en tant que membreAnnées en tant que membreAnnées en tant que membreAnnées en tant que membreAnnées en tant que membreAnnées en tant que membreAnnées en tant que membreAnnées en tant que membreAnnées en tant que membreAnnées en tant que membre
 
Messages: 97
Inscription: 25 Juil 2014, 21:22
Localisations: orne
Quad: Aeon cobra 180
Votre niveau de mécanique: 5

Publicité

Re: souci divers aeon cobra 180 de 2003

Messagepar barnabouille » 26 Juil 2014, 19:46

Dans ce cas, il n'y a pas de boisseau, mais un volet basculant ( Volet papillon ).

Il faut que tu regardes pourquoi il est bloqué (Grippé ?)
Fichiers joints
Volet papillon.JPG
"C'est le devoir de chaque homme de rendre au monde au moins autant qu'il en a reçu."
Albert Einstein


Polaris 570 EPS 4x4 qui remplace mon valeureux Hytrack 420 4x2.
Avatar de l’utilisateur
barnabouille
Mégaquadeur
Mégaquadeur
 
Années en tant que membreAnnées en tant que membreAnnées en tant que membreAnnées en tant que membreAnnées en tant que membreAnnées en tant que membreAnnées en tant que membreAnnées en tant que membreAnnées en tant que membreAnnées en tant que membreAnnées en tant que membreAnnées en tant que membreAnnées en tant que membreAnnées en tant que membreAnnées en tant que membre
 
Messages: 1071
Âge: 69
Inscription: 06 Avr 2010, 21:35
Localisations: Rhône-Alpes
Quad: POLARIS 570 EPS (09/2014)
Votre niveau de mécanique: 3

Publicité

Re: souci divers aeon cobra 180 de 2003

Messagepar dady61 » 26 Juil 2014, 21:01

oh la!!! j'ai a revoir moi car oui effectivement c'est un volet qui s'ouvre et se referme sans dificulté mais y'a comme un boiseau deriere qui lui quand on soufle ne se leve pas par contre a la main nikel

je crois que j'ai pas du tout compris comment fonctionner mon carbu
Avatar de l’utilisateur
dady61
Superquadeur
Superquadeur
 
Années en tant que membreAnnées en tant que membreAnnées en tant que membreAnnées en tant que membreAnnées en tant que membreAnnées en tant que membreAnnées en tant que membreAnnées en tant que membreAnnées en tant que membreAnnées en tant que membreAnnées en tant que membre
 
Messages: 97
Inscription: 25 Juil 2014, 21:22
Localisations: orne
Quad: Aeon cobra 180
Votre niveau de mécanique: 5

Publicité

Re: souci divers aeon cobra 180 de 2003

Messagepar barnabouille » 26 Juil 2014, 21:18

Fais des photos et tu les publies ici.

C'est peut être le starter manuel et dans ce cas il faut que tu puisses le manœuvrer avec le levier ou la tirette dédiée :!:

Ouvres et testes la commande pour vérifier qu'il s'ouvre et se ferme totalement.
Fichiers joints
Starter manuel.JPG
Dernière édition par barnabouille le 26 Juil 2014, 21:26, édité 4 fois.
"C'est le devoir de chaque homme de rendre au monde au moins autant qu'il en a reçu."
Albert Einstein


Polaris 570 EPS 4x4 qui remplace mon valeureux Hytrack 420 4x2.
Avatar de l’utilisateur
barnabouille
Mégaquadeur
Mégaquadeur
 
Années en tant que membreAnnées en tant que membreAnnées en tant que membreAnnées en tant que membreAnnées en tant que membreAnnées en tant que membreAnnées en tant que membreAnnées en tant que membreAnnées en tant que membreAnnées en tant que membreAnnées en tant que membreAnnées en tant que membreAnnées en tant que membreAnnées en tant que membreAnnées en tant que membre
 
Messages: 1071
Âge: 69
Inscription: 06 Avr 2010, 21:35
Localisations: Rhône-Alpes
Quad: POLARIS 570 EPS (09/2014)
Votre niveau de mécanique: 3

Publicité

Suivante


  • Publicité

Retourner vers AEON

Qui est en ligne

Utilisateurs parcourant ce forum: Aucun utilisateur enregistré et 8 invités

  • Publicité

Google+