• Publicité

Fuite HY320

"Il n'y a que Linhaï qui m'aille" est votre devise ? Partagez vos expériences.
  • Publicité

Fuite HY320

Messagepar lubran10 » 03 Aoû 2014, 10:31

Bonjour,

comme vous devez le voir sur ma photo, j'ai une fuite sur mon HYTRACK HY320.
D'où cela peut-il venir ?
Est-ce grave?
Est-ce facilement réparable quand on est nul en mécanique?

merci
Fichiers joints
20140803_102837_BEST.jpg
20140803_102837_BEST.jpg (32.24 Kio) Vu 3879 fois
lubran10
Nouveau membre
Nouveau membre
 
Messages: 5
Inscription: 03 Aoû 2014, 09:59
Localisations: aude
Quad: HYTRACK HY 320
Votre niveau de mécanique: 1

Publicité

Re: Fuite HY320

Messagepar barnabouille » 03 Aoû 2014, 11:00

Bonjour lubran10

Avec une seule photo c'est difficile de localiser l'endroit sur le moteur :cry:

Néanmoins avec la proximité du cylindre ( en noir à gauche ), on suppose que c'est le joint de pompe a eau :?:

Si c'est la cas, le joint doit coûter entre 6 et 10 euros et le changement est facile, mais attention à bien purger les bulles d'air lors de la remise en eau du radiateur et de tout le circuit ( pompe, durite, radiateur ....)

Repère 3 HY22803 JOINT DE POMPE A EAU

http://www.azmotors.fr/btk_clic2.php?se ... %20A%20EAU

Pome à eau HY320.JPG
"C'est le devoir de chaque homme de rendre au monde au moins autant qu'il en a reçu."
Albert Einstein


Polaris 570 EPS 4x4 qui remplace mon valeureux Hytrack 420 4x2.
Avatar de l’utilisateur
barnabouille
Mégaquadeur
Mégaquadeur
 
Messages: 1071
Âge: 69
Inscription: 06 Avr 2010, 21:35
Localisations: Rhône-Alpes
Quad: POLARIS 570 EPS (09/2014)
Votre niveau de mécanique: 3

Publicité

Re: Fuite HY320

Messagepar lubran10 » 03 Aoû 2014, 11:06

Bonjour,

la fuite se situe plutôt au niveau du petit joint vert après la pipe en plastique "jaune.
lubran10
Nouveau membre
Nouveau membre
 
Messages: 5
Inscription: 03 Aoû 2014, 09:59
Localisations: aude
Quad: HYTRACK HY 320
Votre niveau de mécanique: 1

Publicité

Re: Fuite HY320

Messagepar barnabouille » 03 Aoû 2014, 11:11

Envoies nous d'autres photos de loin et de près pour bien situer ;)
"C'est le devoir de chaque homme de rendre au monde au moins autant qu'il en a reçu."
Albert Einstein


Polaris 570 EPS 4x4 qui remplace mon valeureux Hytrack 420 4x2.
Avatar de l’utilisateur
barnabouille
Mégaquadeur
Mégaquadeur
 
Messages: 1071
Âge: 69
Inscription: 06 Avr 2010, 21:35
Localisations: Rhône-Alpes
Quad: POLARIS 570 EPS (09/2014)
Votre niveau de mécanique: 3

Publicité

Re: Fuite HY320

Messagepar barnabouille » 03 Aoû 2014, 11:14

En attendant regardes si cela correspond au repère 18 ?

HY10082 JOINT TORIQUE 15.5X2.5

http://www.azmotors.fr/btk_clic2.php?se ... %20A%20EAU

http://www.savquad.fr/ensemble-pompe-ea ... 55x25.html

moteur_hytrack_hy_265 - Copie.jpg


HY10082 JOINT TORIQUE 15.5X2.5.JPG
HY10082 JOINT TORIQUE 15.5X2.5
"C'est le devoir de chaque homme de rendre au monde au moins autant qu'il en a reçu."
Albert Einstein


Polaris 570 EPS 4x4 qui remplace mon valeureux Hytrack 420 4x2.
Avatar de l’utilisateur
barnabouille
Mégaquadeur
Mégaquadeur
 
Messages: 1071
Âge: 69
Inscription: 06 Avr 2010, 21:35
Localisations: Rhône-Alpes
Quad: POLARIS 570 EPS (09/2014)
Votre niveau de mécanique: 3

Publicité

Re: Fuite HY320

Messagepar barnabouille » 03 Aoû 2014, 12:43

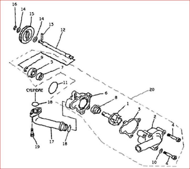
Voici en complément, le détail de l'assemblage.

Le repère 2 sur ce schéma, correspond au joint torique référencé : HY10082 JOINT TORIQUE 15.5X2.5 .

Il s'installe dans la gorge prévue à cet effet sur la pipe en plastique.

Il suffit simplement de démonter les 2 vis repère 10, puis de débrancher la pipe et de changer le joint 8)
Fichiers joints
Assemblage pompe à eau Hytrack 320.JPG
Assemblage pompe à eau Hytrack 320
"C'est le devoir de chaque homme de rendre au monde au moins autant qu'il en a reçu."
Albert Einstein


Polaris 570 EPS 4x4 qui remplace mon valeureux Hytrack 420 4x2.
Avatar de l’utilisateur
barnabouille
Mégaquadeur
Mégaquadeur
 
Messages: 1071
Âge: 69
Inscription: 06 Avr 2010, 21:35
Localisations: Rhône-Alpes
Quad: POLARIS 570 EPS (09/2014)
Votre niveau de mécanique: 3

Publicité

Re: Fuite HY320

Messagepar lubran10 » 04 Aoû 2014, 19:16

Voilà une photo, je ne sais pas si c'est plus clair?
Je pense que la fuite se situe au niveau du joint vert.
Fichiers joints
20140804_190117.jpg
20140804_190117.jpg (32.98 Kio) Vu 3829 fois
lubran10
Nouveau membre
Nouveau membre
 
Messages: 5
Inscription: 03 Aoû 2014, 09:59
Localisations: aude
Quad: HYTRACK HY 320
Votre niveau de mécanique: 1

Publicité

Re: Fuite HY320

Messagepar barnabouille » 04 Aoû 2014, 19:44

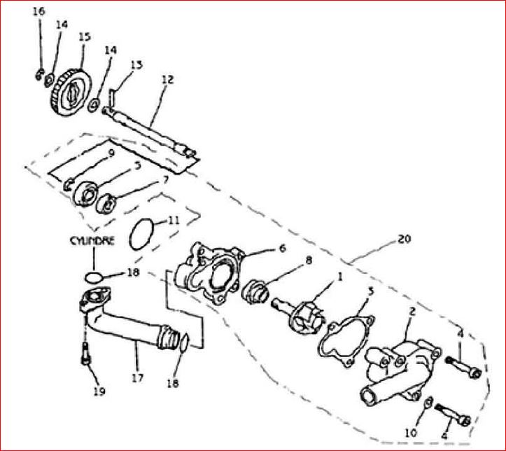
C'est le joint de pompe à eau, repère 3 du schéma.


Repère 3 => HY22803 JOINT DE POMPE A EAU ( Par exemple : 7,32 euros, chez AZMOTORS )

Joint pompe à eau.JPG
Joint pompe à eau


http://www.azmotors.fr/btk_clic2.php?se ... %20A%20EAU


La fuite ne semble pas très importante !

Est-ce que le niveau d'eau baisse dans le vase d'expansion :?: ?

Si oui, tu peux, dans un premier temps ( avant de changer le joint ), essayer de resserrer un petit peu les 3 Vis repère 4 pour comprimer le joint .

A+
"C'est le devoir de chaque homme de rendre au monde au moins autant qu'il en a reçu."
Albert Einstein


Polaris 570 EPS 4x4 qui remplace mon valeureux Hytrack 420 4x2.
Avatar de l’utilisateur
barnabouille
Mégaquadeur
Mégaquadeur
 
Messages: 1071
Âge: 69
Inscription: 06 Avr 2010, 21:35
Localisations: Rhône-Alpes
Quad: POLARIS 570 EPS (09/2014)
Votre niveau de mécanique: 3

Publicité

Re: Fuite HY320

Messagepar barnabouille » 04 Aoû 2014, 19:53

Attention, il y a aussi des joints ( repère 10 ) sous les têtes de vis ( Repère 4 )

Repère 10 => HY22405 JOINT 6

Pome à eau HY320.JPG
Dernière édition par barnabouille le 04 Aoû 2014, 19:54, édité 1 fois.
"C'est le devoir de chaque homme de rendre au monde au moins autant qu'il en a reçu."
Albert Einstein


Polaris 570 EPS 4x4 qui remplace mon valeureux Hytrack 420 4x2.
Avatar de l’utilisateur
barnabouille
Mégaquadeur
Mégaquadeur
 
Messages: 1071
Âge: 69
Inscription: 06 Avr 2010, 21:35
Localisations: Rhône-Alpes
Quad: POLARIS 570 EPS (09/2014)
Votre niveau de mécanique: 3

Publicité

Re: Fuite HY320

Messagepar dexter » 04 Aoû 2014, 19:54

Et un coup de pâte à joint silicone (Loctite bleu 5926) ça ne suffirait pas ?
Avatar de l’utilisateur
dexter
Mégaquadeur
Mégaquadeur
 
Messages: 780
Âge: 68
Inscription: 07 Mai 2013, 09:50
Localisations: Nord-Est
Quad: Cfmoto
Votre niveau de mécanique: 7

Publicité

Re: Fuite HY320

Messagepar barnabouille » 04 Aoû 2014, 20:06

Bonsoir Dexter

+1 pour la pate à joint :idea:

On peut en trouver dans certains magasins a un prix similaire à celui du joint :

http://www.norauto.fr/produit/silicone- ... 82865.html
"C'est le devoir de chaque homme de rendre au monde au moins autant qu'il en a reçu."
Albert Einstein


Polaris 570 EPS 4x4 qui remplace mon valeureux Hytrack 420 4x2.
Avatar de l’utilisateur
barnabouille
Mégaquadeur
Mégaquadeur
 
Messages: 1071
Âge: 69
Inscription: 06 Avr 2010, 21:35
Localisations: Rhône-Alpes
Quad: POLARIS 570 EPS (09/2014)
Votre niveau de mécanique: 3

Publicité

Re: Fuite HY320

Messagepar lubran10 » 04 Aoû 2014, 20:25

J'ai resserré, effectivement il y en a 2 sur 3 qui en avaient besoin.
Le niveau n'a pas trop bougé.
S'il me faut changer le joint, il faut purger, c'est compliqué?
lubran10
Nouveau membre
Nouveau membre
 
Messages: 5
Inscription: 03 Aoû 2014, 09:59
Localisations: aude
Quad: HYTRACK HY 320
Votre niveau de mécanique: 1

Publicité

Re: Fuite HY320

Messagepar barnabouille » 04 Aoû 2014, 22:03

Il n'est pas obligatoire de vidanger complètement, mais ce peut être l'occasion de remplacer le liquide de refroidissement (si cela n'a pas été fait récemment ;)

Non la purge n'est pas compliquée, il faut remplir complètement par le bouchon du radiateur et après avoir fait tourner le moteur quelques minutes pour faire remonter les poches et bulles d'air, il faut refaire le plein, toujours en ouvrant le bouchon du radiateur pour laisser partir l'air avant de compléter.

Refaire l'opération après une première utilisation pour s'assurer que tout le circuit est purgé et que le niveau est stable et correct dans le vase d'expansion.
Dernière édition par barnabouille le 05 Aoû 2014, 09:52, édité 1 fois.
"C'est le devoir de chaque homme de rendre au monde au moins autant qu'il en a reçu."
Albert Einstein


Polaris 570 EPS 4x4 qui remplace mon valeureux Hytrack 420 4x2.
Avatar de l’utilisateur
barnabouille
Mégaquadeur
Mégaquadeur
 
Messages: 1071
Âge: 69
Inscription: 06 Avr 2010, 21:35
Localisations: Rhône-Alpes
Quad: POLARIS 570 EPS (09/2014)
Votre niveau de mécanique: 3

Publicité

Re: Fuite HY320

Messagepar doudou63 » 05 Aoû 2014, 06:44

dexter a écrit:Et un coup de pâte à joint silicone (Loctite bleu 5926) ça ne suffirait pas ?

quitte a demonter autant changé le joint :lol:
un hytrack sinon rien
Avatar de l’utilisateur
doudou63
Mégaquadeur
Mégaquadeur
 
Messages: 693
Âge: 66
Inscription: 12 Juil 2010, 11:27
Localisation: 63430 pont du chateau
Localisations: pont du chateau
Quad: hytrack 265
Votre niveau de mécanique: 10

Publicité

Re: Fuite HY320

Messagepar ghislain11 » 06 Aoû 2014, 12:41

la pâte a joint c'est bien mais il faut savoir la mettre, en mettre :idea: et c'est en remplacement du joint existant qu'il faut correctement supprimer avec une lame ( si tu choisi cette solution ) ;) mais si ça se trouve, juste le petit resserrage et une utilisation du quad régulière mettrons fin a la fuite :idea: ;)
Agriquadeur pour joindre l'utile a l'agréable, c'est pas beau !?
POLARIS 570 EFI
POLARIS 570 X2 EFI
POLARIS 1000 XP SPORTSMAN
POLARIS 900 RANGER D
Avatar de l’utilisateur
ghislain11
Site Admin
Site Admin
 
Messages: 4018
Âge: 49
Inscription: 25 Fév 2007, 17:07
Localisation: CORBIERES (11 aude)
Localisations: CORBIERES (11 aude)
Quad: POLARIS 850 SPORTSMAN
Votre niveau de mécanique: 5

Publicité

Suivante


  • Publicité

Retourner vers Forum Quad HYTRACK, LINHAI

Qui est en ligne

Utilisateurs parcourant ce forum: Aucun utilisateur enregistré et 48 invités

  • Publicité
cron

Google+