• Publicité

conextion electrique

"Il n'y a que Linhaï qui m'aille" est votre devise ? Partagez vos expériences.
  • Publicité

conextion electrique

Messagepar fina » 25 Fév 2013, 12:10

bonjour (milles excuses pour le 1 er messages pas mis au bon endroits pas glup de ma part )
je souhaiterais savoir a quoi servent les 2 connections ( cosses electrique) qui se situe vers la cuve du carbu ( l une est plate et l autre circulaire ) a chaque cosse part 1 fils ... mais ensuite ..impossible de "suivre" l acheminements des fils
je vous remercis de vos reponse (et encore excuse)
Avatar de l’utilisateur
fina
Nouveau membre
Nouveau membre
 
Années en tant que membreAnnées en tant que membreAnnées en tant que membreAnnées en tant que membreAnnées en tant que membreAnnées en tant que membreAnnées en tant que membreAnnées en tant que membreAnnées en tant que membreAnnées en tant que membreAnnées en tant que membreAnnées en tant que membreAnnées en tant que membreAnnées en tant que membre
 
Messages: 14
Inscription: 05 Déc 2011, 10:37
Localisations: st georges de mons
Quad: hytrack 2651

Publicité

Re: conextion electrique

Messagepar jéjé08 » 25 Fév 2013, 13:18

C'est quoi comme carbu ? Marque/Modèle.
Tu n'as pas une photo ?

Tes connexions ne seraient-elle pas pour un capteur de position du boisseau/papillon des gaz ? Si c'est ça, les fils doivent aller au CDI.
Avatar de l’utilisateur
jéjé08
Mégaquadeur
Mégaquadeur
 
Années en tant que membreAnnées en tant que membreAnnées en tant que membreAnnées en tant que membreAnnées en tant que membreAnnées en tant que membreAnnées en tant que membreAnnées en tant que membreAnnées en tant que membreAnnées en tant que membreAnnées en tant que membreAnnées en tant que membreAnnées en tant que membre
 
Messages: 326
Âge: 13
Inscription: 18 Juil 2012, 11:15
Localisations: 93
Quad: -
Votre niveau de mécanique: 1

Publicité

Re: conextion electrique

Messagepar fina » 25 Fév 2013, 13:50

bonjour
marque carbu : keihein (pas sur de l orthographe)
cvk 30
Avatar de l’utilisateur
fina
Nouveau membre
Nouveau membre
 
Années en tant que membreAnnées en tant que membreAnnées en tant que membreAnnées en tant que membreAnnées en tant que membreAnnées en tant que membreAnnées en tant que membreAnnées en tant que membreAnnées en tant que membreAnnées en tant que membreAnnées en tant que membreAnnées en tant que membreAnnées en tant que membreAnnées en tant que membre
 
Messages: 14
Inscription: 05 Déc 2011, 10:37
Localisations: st georges de mons
Quad: hytrack 2651

Publicité

Re: conextion electrique

Messagepar DOUDOU » 25 Fév 2013, 14:37

Starter automatique peut-être ...
L 'alternative à Windows et Apple Image cliquez sur l'image
Avatar de l’utilisateur
DOUDOU
Site Admin
Site Admin
 
Années en tant que membreAnnées en tant que membreAnnées en tant que membreAnnées en tant que membreAnnées en tant que membreAnnées en tant que membreAnnées en tant que membreAnnées en tant que membreAnnées en tant que membreAnnées en tant que membreAnnées en tant que membreAnnées en tant que membreAnnées en tant que membreAnnées en tant que membreAnnées en tant que membreAnnées en tant que membreAnnées en tant que membreAnnées en tant que membreAnnées en tant que membreAnnées en tant que membreAnnées en tant que membre
 
Messages: 5155
Âge: 63
Inscription: 05 Nov 2004, 10:03
Localisation: Gard
Localisations: 30100
Quad: Celui des autres......
Votre niveau de mécanique: 3

Publicité

Re: conextion electrique

Messagepar jéjé08 » 25 Fév 2013, 15:51

Si tes fils sortent d'une pièce comme celle-là : http://www.discount-scooter.fr/starter- ... -phva.html
c'est le starter automatique. :sm28:
Avatar de l’utilisateur
jéjé08
Mégaquadeur
Mégaquadeur
 
Années en tant que membreAnnées en tant que membreAnnées en tant que membreAnnées en tant que membreAnnées en tant que membreAnnées en tant que membreAnnées en tant que membreAnnées en tant que membreAnnées en tant que membreAnnées en tant que membreAnnées en tant que membreAnnées en tant que membreAnnées en tant que membre
 
Messages: 326
Âge: 13
Inscription: 18 Juil 2012, 11:15
Localisations: 93
Quad: -
Votre niveau de mécanique: 1

Publicité

Re: conextion electrique

Messagepar fina » 25 Fév 2013, 20:26

bonsoir
negatif.. je connais (ce fameux starter) qui est sur le dessus du carbu (bien presente est relier par une fiche cote gauche du quad ) je parle de deux cosses au niveaux de la cuve du carbu dont l une est standard (plate) et l autre se presente comme une pointe "bic" ou vient se connecter a chacunne 1 seul fil mon quad est un hytrack 265 de 2005 tout est d origine (carbu vario etc..)
j arrive pas a voir la continuitee de ces fils
je debranche je rebranche ... moteur en route ou pas et rien ne ce passe
a quoi peuvent t ils bien servir ces fils??
je vous pose toutes c est question car j ai ut un probleme avec le starter (resolu aujourd hui par du neuf )
mais....cette histoire de fils electrique qui arrivent au niveau de la cuve du carbu comprends pas a quoi elles servent
(les ingenieurs n ont tout meme pas mis ce branchements pour rien rassurez moi)...
Avatar de l’utilisateur
fina
Nouveau membre
Nouveau membre
 
Années en tant que membreAnnées en tant que membreAnnées en tant que membreAnnées en tant que membreAnnées en tant que membreAnnées en tant que membreAnnées en tant que membreAnnées en tant que membreAnnées en tant que membreAnnées en tant que membreAnnées en tant que membreAnnées en tant que membreAnnées en tant que membreAnnées en tant que membre
 
Messages: 14
Inscription: 05 Déc 2011, 10:37
Localisations: st georges de mons
Quad: hytrack 2651

Publicité

Re: conextion electrique

Messagepar jéjé08 » 25 Fév 2013, 20:36

Je ne sais pas si ça correspondrait :? , mais sur mon ancienne moto (Honda) il y avait sur les carbus (Kehin) des capteurs de position des papillons des gaz qui étaient reliés au CDI pour le contrôle de la pollution.
Ça devait être encore les anciennes normes Euro 2 et l'injection n'était pas encore systématique sur les bécanes.
Avatar de l’utilisateur
jéjé08
Mégaquadeur
Mégaquadeur
 
Années en tant que membreAnnées en tant que membreAnnées en tant que membreAnnées en tant que membreAnnées en tant que membreAnnées en tant que membreAnnées en tant que membreAnnées en tant que membreAnnées en tant que membreAnnées en tant que membreAnnées en tant que membreAnnées en tant que membreAnnées en tant que membre
 
Messages: 326
Âge: 13
Inscription: 18 Juil 2012, 11:15
Localisations: 93
Quad: -
Votre niveau de mécanique: 1

Publicité

Re: conextion electrique

Messagepar fina » 25 Fév 2013, 20:41

mouais!!... ca voudrais dire que ma "petoire" etait deja a l air de ...l environnement a ctte epoque (bien qu il soit pas non plus un ancetre)
Avatar de l’utilisateur
fina
Nouveau membre
Nouveau membre
 
Années en tant que membreAnnées en tant que membreAnnées en tant que membreAnnées en tant que membreAnnées en tant que membreAnnées en tant que membreAnnées en tant que membreAnnées en tant que membreAnnées en tant que membreAnnées en tant que membreAnnées en tant que membreAnnées en tant que membreAnnées en tant que membreAnnées en tant que membre
 
Messages: 14
Inscription: 05 Déc 2011, 10:37
Localisations: st georges de mons
Quad: hytrack 2651

Publicité

Re: conextion electrique

Messagepar jéjé08 » 25 Fév 2013, 23:08

La norme euro 1 date quand-même de 1993 ...
http://www.google.fr/url?url=http://fr. ... AA&cad=rjt
Avatar de l’utilisateur
jéjé08
Mégaquadeur
Mégaquadeur
 
Années en tant que membreAnnées en tant que membreAnnées en tant que membreAnnées en tant que membreAnnées en tant que membreAnnées en tant que membreAnnées en tant que membreAnnées en tant que membreAnnées en tant que membreAnnées en tant que membreAnnées en tant que membreAnnées en tant que membreAnnées en tant que membre
 
Messages: 326
Âge: 13
Inscription: 18 Juil 2012, 11:15
Localisations: 93
Quad: -
Votre niveau de mécanique: 1

Publicité

Re: conextion electrique

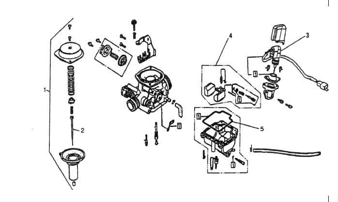
Messagepar andchel » 27 Fév 2013, 19:02

si tu peut voir quelque chose la dessus.......
Fichiers joints
CARBU.JPG
Ariégeois pur et dur
Avatar de l’utilisateur
andchel
Mégaquadeur
Mégaquadeur
 
Années en tant que membreAnnées en tant que membreAnnées en tant que membreAnnées en tant que membreAnnées en tant que membreAnnées en tant que membreAnnées en tant que membreAnnées en tant que membreAnnées en tant que membreAnnées en tant que membreAnnées en tant que membreAnnées en tant que membreAnnées en tant que membreAnnées en tant que membreAnnées en tant que membreAnnées en tant que membreAnnées en tant que membre
 
Messages: 284
Âge: 60
Inscription: 12 Aoû 2008, 17:17
Localisation: 09 ariège
Localisations: 09
Quad: can-am outlander 800 max-xt
Votre niveau de mécanique: 5

Publicité

Re: conextion electrique

Messagepar jéjé08 » 27 Fév 2013, 20:08

fina a écrit:bonsoir
negatif.. je connais (ce fameux starter) qui est sur le dessus du carbu (bien presente est relier par une fiche cote gauche du quad ) je parle de deux cosses au niveaux de la cuve du carbu dont l une est standard (plate) et l autre se presente comme une pointe "bic" ou vient se connecter a chacunne 1 seul fil mon quad est un hytrack 265 de 2005 tout est d origine (carbu vario etc..)
j arrive pas a voir la continuitee de ces fils
je debranche je rebranche ... moteur en route ou pas et rien ne ce passe
a quoi peuvent t ils bien servir ces fils??
je vous pose toutes c est question car j ai ut un probleme avec le starter (resolu aujourd hui par du neuf )
mais....cette histoire de fils electrique qui arrivent au niveau de la cuve du carbu comprends pas a quoi elles servent
(les ingenieurs n ont tout meme pas mis ce branchements pour rien rassurez moi)...


Je ne vois pas à quoi ça pourrait correspondre si ce n'est ni le starter auto, ni un capteur de position du papillon des gaz (potentiomètre).
A moins que ton carbu soit équipé d'un kit de dégivrage au niveau de la cuve. ;)
Si c'est ça, ce n'est pas très courant sous nos latitudes !!!
Je sais que ça existait sur certaines motos (avant l'injection) comme Ducati.

Démonte la cuve pour voir à quoi seraient reliés ces deux connecteurs. On ne sait jamais... :sm28:
Avatar de l’utilisateur
jéjé08
Mégaquadeur
Mégaquadeur
 
Années en tant que membreAnnées en tant que membreAnnées en tant que membreAnnées en tant que membreAnnées en tant que membreAnnées en tant que membreAnnées en tant que membreAnnées en tant que membreAnnées en tant que membreAnnées en tant que membreAnnées en tant que membreAnnées en tant que membreAnnées en tant que membre
 
Messages: 326
Âge: 13
Inscription: 18 Juil 2012, 11:15
Localisations: 93
Quad: -
Votre niveau de mécanique: 1

Publicité

Re: conextion electrique

Messagepar fina » 27 Fév 2013, 21:31

bonsoir ..
c est la piece qui se trouve a gauche de la ( vis de purge.. nomenclature n° n° 1 ) (voir eclaté ci dessus ...) une fiche centrale forme de "pointe bic" et l autre juste a coté "de forme stantard plate"
Avatar de l’utilisateur
fina
Nouveau membre
Nouveau membre
 
Années en tant que membreAnnées en tant que membreAnnées en tant que membreAnnées en tant que membreAnnées en tant que membreAnnées en tant que membreAnnées en tant que membreAnnées en tant que membreAnnées en tant que membreAnnées en tant que membreAnnées en tant que membreAnnées en tant que membreAnnées en tant que membreAnnées en tant que membre
 
Messages: 14
Inscription: 05 Déc 2011, 10:37
Localisations: st georges de mons
Quad: hytrack 2651

Publicité

Re: conextion electrique

Messagepar fina » 27 Fév 2013, 21:36

(re) bonsoir
negatif .. ce n est pas la pieces n°1
c est toujours idem "pointe bic ..etc.." et elle se trouve sur la cuve ..
sur le shema elle se situe a gauche de la vis de purge
Avatar de l’utilisateur
fina
Nouveau membre
Nouveau membre
 
Années en tant que membreAnnées en tant que membreAnnées en tant que membreAnnées en tant que membreAnnées en tant que membreAnnées en tant que membreAnnées en tant que membreAnnées en tant que membreAnnées en tant que membreAnnées en tant que membreAnnées en tant que membreAnnées en tant que membreAnnées en tant que membreAnnées en tant que membre
 
Messages: 14
Inscription: 05 Déc 2011, 10:37
Localisations: st georges de mons
Quad: hytrack 2651

Publicité

Re: conextion electrique

Messagepar toninou » 27 Fév 2013, 22:35

J'ai pareil sur le mien. Je n'ai pas encore retiré cette pièce pour y voir plus clair. Pour l'instant je me suis laissé dire que c'était une bougie de chauffage (Réchauffeur à carburant). Extèrierement sa ressemble beaucoup à une bougie qui se trouve sur les moteurs thermique de modèle réduit radiocommandé. Si on parle bien de la pièce qui se trouve sur le schéma si dessus en numéro 5, tout en bas.
Avatar de l’utilisateur
toninou
Quadeur
Quadeur
 
Années en tant que membreAnnées en tant que membreAnnées en tant que membreAnnées en tant que membreAnnées en tant que membreAnnées en tant que membreAnnées en tant que membreAnnées en tant que membreAnnées en tant que membreAnnées en tant que membreAnnées en tant que membreAnnées en tant que membreAnnées en tant que membre
 
Messages: 42
Âge: 38
Inscription: 01 Sep 2012, 20:29
Localisation: Sud Ardennes
Localisations: Sud ardennes
Quad: Hytrack HY265H
Votre niveau de mécanique: 5

Publicité

Re: conextion electrique

Messagepar fiona19 » 27 Fév 2013, 22:47

En tout cas même si on n'a pas encore résolu complètement l'énigme, merci à toi andchel pour le schéma ;)
Avatar de l’utilisateur
fiona19
Site Admin
Site Admin
 
Années en tant que membreAnnées en tant que membreAnnées en tant que membreAnnées en tant que membreAnnées en tant que membreAnnées en tant que membreAnnées en tant que membreAnnées en tant que membreAnnées en tant que membreAnnées en tant que membreAnnées en tant que membreAnnées en tant que membreAnnées en tant que membreAnnées en tant que membre
 
Messages: 2914
Âge: 57
Inscription: 11 Oct 2011, 19:23
Localisation: corrèze
Localisations: brive la gaillarde
Quad: sportsman800 trailboss330
Votre niveau de mécanique: 1

Publicité

Suivante


  • Publicité

Retourner vers Forum Quad HYTRACK, LINHAI

Qui est en ligne

Utilisateurs parcourant ce forum: Aucun utilisateur enregistré et 7 invités

  • Publicité

Google+