• Publicité

Cardan

  • Publicité

Cardan

Messagepar francis 59 » 09 Jan 2010, 14:19

bonjour a tous.est ce que quelqun pourait m expliquer comment sortir le cardan sur un loncin 250.d'avance merci
francis
Avatar de l’utilisateur
francis 59
Nouveau membre
Nouveau membre
 
Années en tant que membreAnnées en tant que membreAnnées en tant que membreAnnées en tant que membreAnnées en tant que membreAnnées en tant que membreAnnées en tant que membreAnnées en tant que membreAnnées en tant que membreAnnées en tant que membreAnnées en tant que membreAnnées en tant que membreAnnées en tant que membreAnnées en tant que membreAnnées en tant que membreAnnées en tant que membre
 
Messages: 5
Inscription: 19 Juil 2009, 09:34
Localisation: 59185 provin

Publicité

Messagepar CIGOGNE13 » 09 Jan 2010, 16:47

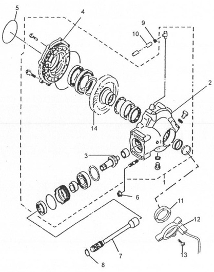
Il te faut demonter le pont arrière pour acceder aux cardan voir planche jointe !

Le cardan position 7 de la dernière planche !

Allez bon courage ce travail ce fait très bien ( effectué sur mon 250 en son temps )
Fichiers joints
22_train_ar_REAR WHEEL.jpg
22_train_ar_REAR WHEEL.jpg (79.96 Kio) Vu 9989 fois
23_pont_ar_REAR_DRIVING_GEAR_BOX.jpg
23_pont_ar_REAR_DRIVING_GEAR_BOX.jpg (82.14 Kio) Vu 9988 fois
Je ne porte plus de gilets a rayures serviles depuis que je suis a la retraite ( polo 2011 )

Polo
Avatar de l’utilisateur
CIGOGNE13
Mégaquadeur
Mégaquadeur
 
Années en tant que membreAnnées en tant que membreAnnées en tant que membreAnnées en tant que membreAnnées en tant que membreAnnées en tant que membreAnnées en tant que membreAnnées en tant que membreAnnées en tant que membreAnnées en tant que membreAnnées en tant que membreAnnées en tant que membreAnnées en tant que membreAnnées en tant que membreAnnées en tant que membreAnnées en tant que membreAnnées en tant que membreAnnées en tant que membreAnnées en tant que membreAnnées en tant que membreAnnées en tant que membre
 
Messages: 1186
Âge: 81
Inscription: 12 Avr 2005, 18:35
Localisation: Alsace
Localisations: 68280
Quad: CF Moto Uforce 550
Votre niveau de mécanique: 5

Publicité

Messagepar yann26200 » 19 Aoû 2010, 00:12

Sinon en sortant le moteur ( rapide )
Avatar de l’utilisateur
yann26200
Nouveau membre
Nouveau membre
 
Années en tant que membreAnnées en tant que membreAnnées en tant que membreAnnées en tant que membreAnnées en tant que membreAnnées en tant que membreAnnées en tant que membreAnnées en tant que membreAnnées en tant que membreAnnées en tant que membreAnnées en tant que membreAnnées en tant que membreAnnées en tant que membreAnnées en tant que membreAnnées en tant que membreAnnées en tant que membre
 
Messages: 12
Inscription: 29 Avr 2010, 15:17
Localisation: MONTELIMAR

Publicité

re

Messagepar jmich » 10 Sep 2010, 11:27

moi j ai fait sur mon 200 je pensais que ce serais plus compliquer
3h pas mal pour quelqun qui et pas mecano :lol:
le + chiant c est de sortir le bras oscillant. :x
vas voir plus bas sur les sujet que j ai poster
cardan ou soufflet cardan et bras oscillant
jmich
 

Publicité

Messagepar yann26200 » 17 Sep 2010, 00:38

en 1h00 tu sort le moteur et accède au cardan
pour plus de facilité sort le reservoir puis demonte coté gauche le lanceur puis le cache sous l'inverseur de boite puis les 3 fixation moteur et le tour est joué
Avatar de l’utilisateur
yann26200
Nouveau membre
Nouveau membre
 
Années en tant que membreAnnées en tant que membreAnnées en tant que membreAnnées en tant que membreAnnées en tant que membreAnnées en tant que membreAnnées en tant que membreAnnées en tant que membreAnnées en tant que membreAnnées en tant que membreAnnées en tant que membreAnnées en tant que membreAnnées en tant que membreAnnées en tant que membreAnnées en tant que membreAnnées en tant que membre
 
Messages: 12
Inscription: 29 Avr 2010, 15:17
Localisation: MONTELIMAR

Publicité



  • Publicité

Retourner vers LONCIN

Qui est en ligne

Utilisateurs parcourant ce forum: Aucun utilisateur enregistré et 9 invités

  • Publicité

Google+