J'ai perçé mon silencieux et je trouve qu'il a plus de pêche, bien sur j'ai essayé de faire ça sans avoir trop de décibelles en plus (pas simple).
J'ai déjà repeint ma ligne d'échappement en noir matte.
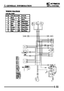
Comment puis-je faire pour monter deux autres ptis feux à l'avant ??? Bien sur je joindrai leur puissance (j'ai pas choisis encore). Expliquez moi à quel endroit faiut-il que je repique tout ça SVP, merci.
Bon quad à tous chers amis !














